愛陸通迷你型低成本遙測終端機RTU重磅上市!想你做想,敢為人先!典型場景:灌區、明渠、取水口、地下水等
為了更好地采集及傳輸數據,解決各行業對于數據采集與傳輸的需求,愛陸通經過深入研發,推出了迷你型低成本遙測終端機RTU——AltRTU600M。這款設備不僅提供了設備無線接入網絡的功能,還兼具輕量級邊緣計算的能力,支持各省份水文/水資源/HJ212/MQTT等規約和認證,為各行業帶來了前所未有的便利與高效。

接口介紹
AltRTU600M配備了1路雨量、1路AI、1路DI、1路可控電源、1路485/2路232、1路網口、Type-C配置口,另外也支持串口攝像頭、網口攝像頭抓拍。

應用場景
作為一款功能強大、性能穩定的遙測終端機,愛陸通迷你型低成本遙測終端機RTUAltRTU600M廣泛應用于水文、水資源、環保、氣象等多個行業。無論是在灌區管理、明渠水流監測,還是在取水口和地下水的水位觀測中,它都能發揮出其強大的功能,為各行業提供精準、可靠的數據支持。
應用拓撲

應用優勢
愛陸通迷你型低成本遙測終端機RTU——AltRTU600M支持選配5G、4G、cat1、NB、redcap等網絡,可以根據需求選配北斗短報文/超短波/NB/lora/振弦/esim/藍牙等。
設備支持各省市水利協議/規約,包含《水文監測數據通信規約》《SLT 180-2015 水文自動測報系統設備遙測終端機》等。
AltRTU600M支持預設條件觸發雨量采集,確保精準監測;配置網串口攝像頭抓拍,當預警觸發時,設備即時加報數據,助力用戶快速響應。通過遠程召測,用戶輕松獲取實時數據,實現高效遠程管理。
工作溫度-35℃~75℃,電源接口內置反相保護和過流、過壓保護,寬壓設計DC 9~35V、12V,待機電流<1mA /休眠電流約 25uA。
接線說明
AltRTU600M整機物料國產化率可達100%,具備強大的接口支持能力,包括RS232(可選RS485)、以太網、翻斗式雨量計、模擬量輸入、數字量輸入(干、濕接點)以及可控電源輸出等多種接口,滿足了不同應用場景下的多樣化需求。同時,它還支持內部Flash存儲數據,確保數據的完整性和安全性。
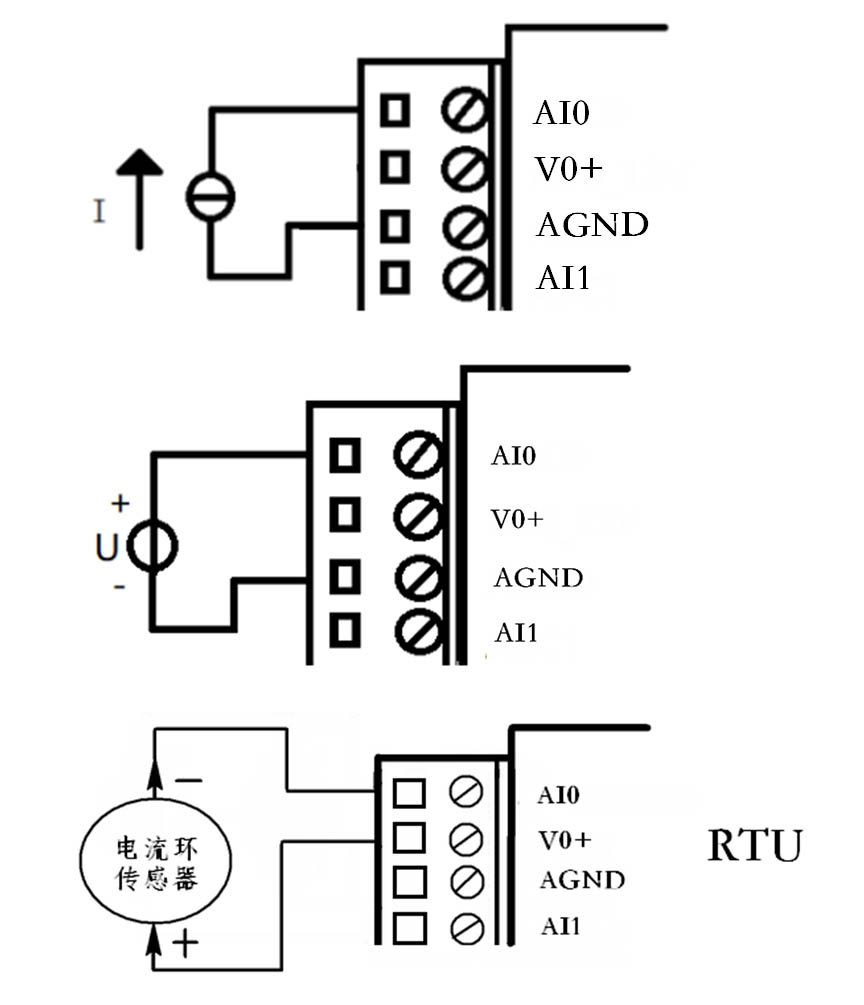
以下是部分接線示意圖:
RS232接線

RS485接線

DI輸入接線
干接點,邏輯0:閉合;邏輯1:斷開。
濕接點,邏輯0:濕節點0-3VDC;邏輯1:濕節點5-30VDC。

AI輸入接線
電流輸入范圍為:4~20mA;電壓輸入范圍為:0~5V。


























